ADIS16448 Accelerometer Angle Cal.vi
Connector Pane

Front Panel

Controls and Indicators
|

|
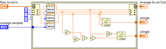
Raw Accel In |
|

|
average samples |
|

|
xAngle |
|

|
yAngle |
|

|
Average Accel Out |
Block Diagram

List of SubVIs and Express VIs with Configuration Information
VI Revision History
"ADIS16448 Accelerometer Angle Cal.vi History"
Current Revision: 11
Position in Hierarchy

Iconified Cluster Constants